
skoda.virt.cz
stránky o vozech Škoda 105-136, Rapid, Garde a jejich předchůdcích
Kam to v Sedru patří ?
09:25:41
27.12.2006
27.12.2006

Dušan
Dneska ten karbec musím sundat a mrknout tam. Ale podle mě to nebude ona, ikdyž se můžu mílit. Co mám doma rozdělanej 130kovej tak je to tam jiný. Ještě jsem si říkal, jestli to tam někdo ve výrobě nezapoměl - byl úplně novej 

00:40:30
27.12.2006
27.12.2006

Gryzly
-> COL: aha to byla blbost já myslel trysku 100 ale taková tryska má vlastně 1mm
00:39:56
27.12.2006
27.12.2006

COL
-> Crestik: Jo na tom EDSRku ty zarezy nema taky :o)
00:32:58
27.12.2006
27.12.2006

Crestik
-> Dušan: taky bych řekl, že je to to tlumítko. Jinak na mojim SEDRu z T613 vypadá trochu jinak. Nemá to zúžení uprostřed a taky nemá ty zářezy zvrchu. Jen tak pro info. Jinak díru má to moje od oka tak 1mm
00:14:14
27.12.2006
27.12.2006

COL
-> Gryzly: co ma uvnitr dirku kolem 0.1mm?
00:13:33
27.12.2006
27.12.2006

COL
-> Gryzly: on psal, ze to vysroubil, ale to, co vypadlo (vlastne nepsal, ze to vypadlo! - ne vzdy to totiz vypadne) vypada jinak. Jestli to teda nevyndal, tak mu to jen mohlo pripadat jiny.
00:11:14
27.12.2006
27.12.2006

Gryzly
-> COL: Já bych mu ho i vyfotl ale v tudle hodinu se mi nechce.
-> Dušan: jakou to má dírku vevnitř něco přes milimetr nebo něco kolem 0,1mm ? číslo to nemá?
-> Dušan: jakou to má dírku vevnitř něco přes milimetr nebo něco kolem 0,1mm ? číslo to nemá?
00:09:28
27.12.2006
27.12.2006

Gryzly
tady je to díl 31A -> Dušan: doporučuju rozdělat víko a vyšroubit trubičku.
00:07:34
27.12.2006
27.12.2006

COL
-> Gryzly: ja bych mu to i vyndal a nafotil, ale mam tu jen viko ze EDSR T613, coz by nevadilo, ale nekdo tam to tlumitko nacpal obracene a ta tycka ho tam nejak zalisovala a nejde ven...
00:05:01
27.12.2006
27.12.2006

Gryzly
-> COL: podle mě je to taky to tlumitko co je v trubičce která je zašroubená do víka. a jak ji vyšroubíš a otočíš tak to letí ven.
www.faann.net/kat/Pict006 0.gif díl 88 ale je to na pytel vidět
www.faann.net/kat/Pict006 0.gif díl 88 ale je to na pytel vidět
23:45:55
26.12.2006
26.12.2006

COL
-> Dušan: rozebral jsem kvuli tobe karbec co tu mam, ale nejde mi to vyklepnout. Ale jsem si jist, ze je to tlumitko sytice, vnejsi rozmer by mel byt tak cca 4-5mm, bez zavitu a je to podobne volnobezne/prechodove trysce...
23:37:42
26.12.2006
26.12.2006

Johny Death
-> Dušan: ja kvuli tobe fakt nejakej rozkucham a doufam ze až to na me vypadne tak budu vedet vod kud přifrčela :)
23:37:00
26.12.2006
26.12.2006

Johny Death
-> Dušan: kašli na trysky trysky sou pro děckaaaaa
23:30:21
26.12.2006
26.12.2006

Dušan
-> COL: tak jsem mrkl pod tu trubičku na jiným karbu ze 130ky, tam sice nějaká "tryska" je ale není ji vůbec podobná, ani rozměrově, toto má rozměr klasické trysky, ale bez závitu a bez označení průměru. Šroubovat by se dala ale není závit a kam. 

22:51:44
26.12.2006
26.12.2006

COL
Zcela jiste je to tlumitko - vklada se do vika pod trubicku kterou nasava system sytice benzin. Spravna velikost diry je (tusim) 1.8mm, vyskytovaly se ale i provedeni (tusim) 1.3mm.
21:02:44
26.12.2006
26.12.2006

Johny Death
-> Dušan: tam na tebe kašlu tam mi ani nenapišeš natož odpoviš :-D hele doktore skus juknou jak rika bambus pod pokličku a uvidiš když tak zitra kuchnu nejakej karbec a uvidime :)
21:00:37
26.12.2006
26.12.2006

Dušan
-> Johny Death: hele vykládat si můžeme na ICQ
.
.20:57:36
26.12.2006
26.12.2006

Johny Death
-> Dušan: jo to semse jich taky ptal... vahali... vahali... a pak rekli že to je stejne jedno že už to stejně dneska dostane každej :-D ty voe at vlezu do jakyho koli tematu tak tam seš ty to snad neni možny...
20:56:38
26.12.2006
26.12.2006

Dušan
-> Johny Death: tak si říkám jestli si tě s někým ve škole nespletli a nedali ten titul někomu jinýmu 

20:53:55
26.12.2006
26.12.2006

Johny Death
-> Dušan: a dirka tamje proto abys skrz ňu mohl srkat polifku v menzes :-D
20:51:55
26.12.2006
26.12.2006

Dušan
-> BAMBUS: možná máš recht, tam jsem nekoukal, ono to na mě jednou prostě vypadlo
-> Johny Death: inženýr
-> Johny Death: inženýr

20:51:42
26.12.2006
26.12.2006

BAMBUS
-> Johny Death: 

20:50:42
26.12.2006
26.12.2006

Johny Death
dušo a není to tvuj zlatej zub? a jak ses nad to moc naklanel tak jestli ti nevypad.
20:48:59
26.12.2006
26.12.2006

BAMBUS
vysroubuj tu trubku z toho vika a uvidiš
20:48:32
26.12.2006
26.12.2006

Johny Death
a nebo jim to tam při výrobě zapadlo a nemohli to dostat ven tak to tam už nedávali :)
20:48:05
26.12.2006
26.12.2006

Johny Death
-> Dušan: a a přesne to skoro který nevíš vím zase já a ja ti říkam že to bude vono :)
20:47:40
26.12.2006
26.12.2006

Dušan
-> Johny Death: aso si skočím do garáže pro ten 130kovej a pohledám
20:47:11
26.12.2006
26.12.2006

Dušan
-> Johny Death: nehádej se se mnou. Vím skoro vše, jsem chodící Andrt, ale tohle fakt nevím


20:45:13
26.12.2006
26.12.2006

Johny Death
nakej chytrej frajere ne? ze zajedu do garáže a začnu kuchat. ja myslim že to není ta stejná.
20:42:24
26.12.2006
26.12.2006

Dušan
-> Johny Death:
to je úplně ta stejná a taky má závit a zátku
to je úplně ta stejná a taky má závit a zátku20:41:39
26.12.2006
26.12.2006

Dušan
jo a podotýkám, že jediný co mi dělá divnou věc je sytič, který mi nedrží víc jak 1500ot a nebo jen 1000. Jinak to na něj startuje normálně. Ale to může být jen v seštelování směsi 

20:41:12
26.12.2006
26.12.2006

Johny Death
tak pak ještě 53ka ta bych řek že zavit nemá.
20:39:27
26.12.2006
26.12.2006

Dušan
-> Johny Death: tak 64 podle mě určitě ne. Tam je malá tryska 50 a za ní zátka a obě mají závit
20:35:52
26.12.2006
26.12.2006

Johny Death
-> Dušan: tak dušo ja bych tipl co to asi bude podivej se do katalogu na položku 64 řek bych že to by mohlo byt vono. na tom zavit myslim neni. jak pojedu do garaze tak se ti kouknu v nejakym karbecu jestlli tam neco takovyho je.
20:32:30
26.12.2006
26.12.2006

Dušan
další foto
20:30:30
26.12.2006
26.12.2006

Dušan
-> Johny Death: velikost běžné trysky
20:27:45
26.12.2006
26.12.2006

Johny Death
-> Dušan: udelej ještě jednu fotku vedle metru at se da odhadnout velikost.
20:27:14
26.12.2006
26.12.2006

Johny Death
-> Dušan: beztak to tam je jen proto aby to zvyšovalo hmotnost a navyšovalo cenu...
20:25:59
26.12.2006
26.12.2006

BAMBUS
ne je to ve vilku karboratoru na tom obrazku není
20:24:53
26.12.2006
26.12.2006

Dušan
-> Johny Death: tak co to je. Podotýkám že je to asi moc nedůležitý, protože bez toho už 3 měsíce jezdím a nic 

20:24:03
26.12.2006
26.12.2006

Johny Death
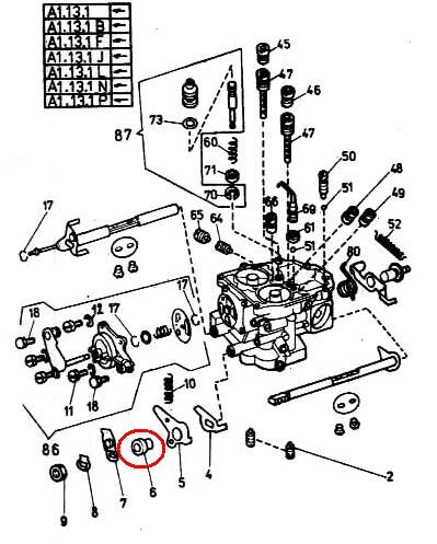
-> Dušan: na dilu 45 je zavit a je to tryska ktera kdyby tam nebyla tak to velice zahy poznaš.
20:22:39
26.12.2006
26.12.2006

Dušan
takže díl 45 ?
20:05:14
26.12.2006
26.12.2006

sep
-> BAMBUS: :a jo,koukám,myslíme oba totéž.-)
20:03:59
26.12.2006
26.12.2006

BAMBUS
no to sem myslel
20:01:00
26.12.2006
26.12.2006

sep
Tlumítko sytiče....a nebo taky ne.-)
19:57:21
26.12.2006
26.12.2006

BAMBUS
to bude z vika jak je tam ta trubka tak snad do ni patři neco takovyho
19:54:10
26.12.2006
26.12.2006

Tuxik
je to tohle ?
19:44:57
26.12.2006
26.12.2006

Dušan
něco mi jednou vypadlo a nevím kam to patří 
Je to nějaká tryska ale nemá závit

Je to nějaká tryska ale nemá závit

